Unipulse Corporation
  • 展示会情報
  • 製品情報
  • Products Info
  • ข้อมูลผลิตภัณฑ์
  • 繁體版情報
  • Thông tin sản phẩm
  • Informasi produk
  • 動画一覧

지시계가 ERROR 표시가 떴을 때...

당사 지시계에서 ERROR 표시가 나왔을 경우 기본적으로 어떤 종류의 ERROR인지 알 수 있게 되어 있습니다.


STEP 1: 어떤 ERROR가 표시되었는지 확인해보자!

 

키패드 형식의 경우 :

「oFL1」 「cErr2」등과 같이, 에러의 종류가 표시됩니다.

세그먼트 형식으로 표현에 한계가 있을 수 있습니다. 단축어 때문에 의미를 알기 어려울 수도 있습니다


 

터치 패널 형식의 경우 :

 

제로 오류, 「OVERLOAD」 등 의 오류가 표시됩니다. 키패드 형식과 비교하면 이해하기 쉬운 형식으로 되어 있습니다.


STEP 2: Error의 의미를 취급 설명서 안에서 확인하자!

 

취급 설명서에는 에러 메시지의 상세나 해제 방법을 설명하고 있습니다.

※취급 설명서는 저희 웹사이트에서 다운로드 할 수 있습니다.

 


로드셀의 고장인지 알고싶을때

 

<로드셀의 상태 확인>

 

1) 로드셀에 하중을 가지 않는 상태 "무부하" 상태에서 지시계와 연결하고 로드셀의 전원을 연결하세요.

 

2) 로드의 케이블에서 +SIG*와 -SIG*로 전압 테스트를 해주세요.

 

[1] 0mV에 가까운 값이 출력됩니다.

       (기준: 제로밸런스 허용범위*)

 

손가락으로 누르거나 하중을 가하면 지시계가 반응한다.

 

 → 로드셀 상태는 양호합니다.

 

[2] 제로 밸런스 허용 범위를 넘은 출력이 있다.

 

오랫동안 사용하여 외부 요인 등에 의해 센서부 상태에 변화가 생겼습니다.

 

 → 출력이 클수록 로드셀 상태는 좋지 않습니다.

      구입처와 상담해 주시기 바랍니다.

 

[3] 로드셀의 정격출력 * 이상의 전압이 출력되어 있는

 

과부하 및 하중의 치우침으로 인해 고장이 발생하였습니다.

예) 정격 출력 1mV/V의 로드 셀에서 인가 전압 2.5V의 경우 2.5mV 이상의 출력이 나올 때.

 

 → 고장으로 사용할 수 없는 상태입니다.

 

[4] 0mV이지만, 하중을 가해도 전혀 변화하지 않는다.

      케이블에서 단선이 발생할 수 있습니다. 고장으로 사용할 수 없는 상태입니다.

 

케이블에서 단선이 발생할 수 있습니다. 

 

 → 고장으로 사용할 수 없는 상태입니다.

 

(*구입시 동봉된 시험성적서 또는 카탈로그, 웹사이트에서 확인할 수 있습니다)


 

              로드셀을 설치 전 무부하의 출력전압을 확인하고 메모해두면

              정기검사 시 초기상태와 비교할 수 있습니다.

 

              F381A, FS2000, PFA, FC400 등의 지시계는 교정시 영점의

              출력값을 기록할 수 있는 기능이 있어서 편리합니다!

 


로드셀에 대해 더 자세히 알고 싶다면
URM: Tension/compression load cell with high accuracy

UST: Ultrathin compression type load cell

UCC(HL): High/low temperature compatible load cell


이메일은 유니펄스 제품을 사용하거나 검토하시는분들을 대상으로 전달하고 있습니다.

제품에 관한 상담이 필요하시면 하단 링크로 문의해 주시기 바랍니다.

 

フォームが表示されるまでしばらくお待ち下さい。

恐れ入りますが、しばらくお待ちいただいてもフォームが表示されない場合は、こちらまでお問い合わせください。

  • 머시닝 센터 및 선반 가공기의 품질 유지 및 향상에 기여! 3종류의 센서를 소개합니다!
  • UTM시리즈의 레이디얼 하중의 영향을 검증. 회전 토크미터 결정판 UTMⅢ
  • 미세한 코깅 토크를 정확하게 포착! 관능검사 자동화에 최적
  • Moon Lifter CE인증 대응 & 간이 방진.방적형 신제품 출시!
  • 스트레인 게이지식 로드셀과 피에조식 로드셀의 차이점
  • 신제품 출시! 웨잉 인디케이터 "F720B"
  • 로드셀 배선방법에 대한 설명
  • 물류 현장도 Moon Lifter로 쾌적하게!
  • 위치 결정 작업을 빠르고 편하게! 전동 밸런서 'Moon Lifter'
  • 센서를 맞춤 제작! 어렵던 측정을 가능하게
  • 임베디드 인디케이터 'FC400'에 PROFINET IO 옵션이 추가되었습니다!
  • 미쓰비시전기의 PLC와 UNIPULSE의 센서를 간단히 접속
  • 저온, 고온에 대응할 수 있는 로드셀 라인업 소개
  • 중량물의 운반・위치결정・투입 작업은 Moon Lifter에 맡기세요!
  • 인칭 작업은 불필요! 위치 결정 작업을 원활하게! 전동 밸런서 "Moon Lifter"
  • 반도체 제조 공정에 추천하는 센서 시리즈(3) 회전 토크미터 「UTMⅢ」
  • 반도체 제조 공정에 추천하는 센서 시리즈(2) 실록산 프리 로드셀 'UWR'
  • 반도체 제조 공정에 추천하는 센서 시리즈. 정전 용량 방식 비접촉 변위계 'PS-IA'
  • 신규출시! 내장형 웨잉 인디케이터 「FC500」
  • 새롭게 출시된 UTMIII 시리즈 듀얼 레인지
  • Moon Lifter로 무게관리! 신제품 「ML-RF2SIF」 소개
  • 신제품 와셔형 로드셀 「UWP」
  • 모터 시험에 최적. 회전 토크미터 「UTM시리즈」의 고속 엔코더 옵션을 소개합니다!
  • 계속 진화하는 전동밸런서 'Moon Lifter' 문 리프터는 이런 독자적인 특징이 있습니다
  • 반도체 제조에 최적! 실록산이 발생하지 않는 로드셀 「UWR」소개
  • 저속회전/고속회전 모두 지원! 토크 미터 「UTMIII」
  • 물을 담은 양동이를 흘리지 않고 운반! 전동밸런서 「문리프터」
  • F701-S 어플리케이션을 소개합니다!
  • 양쪽 끝부분이이 수나사인 방수 로드셀 'UIS'를 소개합니다!
  • UTMIII로 RS-485통신을 사용해보자!
  • 계측기 고장 판정에 편리한 제품을 소개합니다!
  • 소음, 진동에 강한. 고강성 디지털 로드셀 DSCB
  • 머시닝 센터 및 선반 가공기의 품질 유지 및 향상에 기여! 3종류의 센서를 소개합니다!
  • UTM의 새로운 개념의 토크 센서 출시: (C)타입!
  • 전동 밸런서 Moon Lifter의 손가락 걸이 타입 리모콘 새롭게 출시!
  • 내구성이 강하고 수명이 긴 로드셀! UNIPULSE 로드셀 소개
  • 휴대형 디지털 인디케이터 F490A의 업데이트 된 기능을 소개합니다!
  • 로드셀로 실현하는 정교한 작업!
  • Moon Lifter의 편리한 기능 소개!
  • UNI-Format을 사용해 볼까요?
  • UTM시리즈 토크센서를 설치하기 위한 꿀팁은?
  • 작업시 허리통증을 예방해주는 문리프터!
  • 교정을 해보자! <로드셀의 올바른 사용법>
  • 회전 토크 미터 UTMⅢ가 Radial・Thrust 하중에 더욱 강해졌습니다!
  • 서보모터를 구a로 출하가 가능합니다!
  • 하중 인디케이터 추천 라인업! 조립 공정을 파형 비교로 관리!
  • F490A : 정기 점검에 포터블타입 지시계로 간편하게 하중을 체크하자!
  • 유니펄스의 신제품 로드셀을 소개합니다!
  • 컴퓨터가 그대로 실현되는 로드셀 모니터 ' FS10'
  • 정밀도 0.02%로 간단히 설치하는 로드셀!
  • 지시계 표시에 에러가 난다면...
  • 체커 스케일용 웨잉 인디케이터(Weighing Indicator) F650-CK
  • 토크, 회전속도, 각도를 동시에 출력! TC80-D3V
  • 로드셀의 수명을 늘리려면
  • 서보 프레스의 정밀한 제어는 PFA에 맡기세요!
  • UTMIII로 한층 더 진화한 UTM 시리즈
  • "중량물을" "정밀하게" "부드럽게" "접지 전동 밸런서 Moon Lifter로 가능한 일"
  • 툴 홀더의 파지력을 눈으로 확인할 수 있는 "GRIP MASTER"
  • 서보 프레스 및 시험기를 손쉽게 제어 & 공정 감시! Press Force Analyzer 「PFA」
  • MoonLifter = 가볍게 양손으로 작업!
  • 하중 측정+서보 제어=PFA!
  • 출력축 토크 계측을 피드백 제어 가능한 UNISERVO입니다!
ログアウト | 編集
  • 展示会情報
  • 製品情報
    • 防爆エリアの重筋作業も改善!電動バランサ ムーンリフタ
    • ロボットの可搬重量を大幅UP!ムーンリフタの協調運転をご紹介!
    • 芯ズレ自動補正デバイスで圧入工程を改善
    • ムーンリフタ導入事例のご紹介!2026
    • ムーンリフタの設置を単管パイプで手軽に
    • 真空・高温・低温対応のロードセルラインアップ
    • ロボットの可搬重量を大幅UP!ムーンリフタの協調運転をご紹介!
    • UTMシリーズのラジアル荷重の影響を検証。回転トルクメータの決定版「UTMIII」
    • すきま・厚みを非接触で測定!静電容量変位計「UMA-500」のご紹介
    • ムーンリフタは加工機へのセット、狭い現場への導入にも最適!移動式アシスト装置「ジブムーン」「ジブムーンライト」
    • 防爆タイプ新登場!電動バランサ ムーンリフタ
    • 実トルク値による制御と電流値による制御の違い / ユニサーボ マクロ自動生成ツールのご紹介
    • 移動式アシスト装置「ジブムーン」「ジブムーンライト」の違いをご紹介
    • 防爆タイプ新登場!電動バランサ ムーンリフタ
    • 重いロールの搬送・反転を楽に! 電動バランサ ムーンリフタ
    • 大型・長尺な重量物を安全に搬送!電動バランサムーンリフタの並列運転をご紹介!
    • 移動式アシスト装置「ジブムーン」に小型タイプが登場!ジブムーンライトのご紹介
    • ムーンリフタ軽量タイプに簡易防塵・防滴タイプが新登場!防水テストの様子を公開
    • ムーンリフタの導入にお役立てください!~エイジフレンドリー補助金2025~
    • 重いコンテナの搬送を楽に! 電動バランサ ムーンリフタ
    • 安全機能も充実 電動バランサ ムーンリフタ
    • 加工機へのセット作業を楽に!移動式アシスト装置「ジブムーン」のご紹介!
    • 金属加工の品質維持・向上に貢献!3つのセンサをご紹介!
    • ひずみゲージ式とピエゾ式は何が違う?ユニパルスが解説します!
    • 重量物の位置決め作業を楽に!電動バランサ「ムーンリフタ」
    • 実測値で解説!ロボットの可搬重量の引き上げの安全性
    • 組込型インジケータ「FC400」にPROFINET IOオプションが追加されました!
    • 感触が伝わる遠隔操作を実現。電動トルクアクチュエータ「ユニサーボ」
    • ワンタッチで操作簡単!コンテナ用とダンボール用吊具
    • ロボットの可搬重量を大幅UP!ムーンリフタの協調運転をご紹介!
    • ムーンリフタ導入事例のご紹介!2025
    • ム―ンリフタを簡単に設置できる「ML門型クレーン」のご紹介!
    • 半導体業界でご活用頂けるユニパルスのセンサをご紹介!
    • 紙袋の搬送・投入作業を楽に!電動バランサ「ムーンリフタ」
    • 食品業界に実績多数!電動バランサ「ムーンリフタ」
    • 新登場!組込型 ウェイングインジケータ「FC500」
    • 分銅の載せ下ろし作業に最適!電動バランサ「ムーンリフタ」
    • サーボプレスコントローラ「PFA」が制御盤の中に! プレスのお悩みはPFAEで解決!
    • 加工機へのセット作業に最適!移動式アシスト装置「ジブムーン」のご紹介!
    • 金属加工の品質維持・向上に貢献!3つのセンサをご紹介!
    • ロボットの可搬重量を大幅UP!ムーンリフタの協調運転をご紹介!
    • ムーンリフタの簡単設定ツールをご紹介!ML設定値一覧・アプリケーションノート
    • 狭い現場でも導入可能!移動式アシスト装置「ジブムーン」のご紹介
    • パレタイズにはこれ!吸着グリッパのご紹介
    • 三菱電機のPLCとユニパルスのセンサを簡単接続
    • タイヤの搬送を簡単・安全に 電動バランサ ムーンリフタ
    • 低温・高温対応できるロードセルをご紹介!
    • 狭い現場でも導入可能!移動式アシスト装置「ジブムーン」のご紹介!
    • パレタイズにはこれ!吸着グリッパのご紹介
    • 2024年問題を強力サポート!電動バランサ ムーンリフタ
    • 高精度なトルクの制御・測定を実現!電動トルクアクチュエータ「ユニサーボ」
    • 芯ズレ自動補正デバイスで圧入工程を改善
    • 横向きのワークを起こす作業を楽に!電動バランサ「ムーンリフタ」
    • インチング不要!金型の組付け・バラシ作業をムーンリフタで安全に
    • 複雑な制御は不要!ムーンリフタでロボットの可搬重量を大幅UP!
    • ムーンリフタを移動させながら使用!便利なジブリフトのご紹介
    • ムーンリフタだけ!便利な使い方をご紹介
    • ムーンリフタの導入にお役立てください!~エイジフレンドリー補助金2024~
    • 重量物の搬送をスムーズに!ムーンリフタのインテリジェント吊具をご紹介
    • センサをカスタマイズ!難しかった測定を可能に
    • オールステンレス!食品業界に最適なムーンリフタ「HACCPタイプ」をご紹介!
    • 新登場!組込型 ウェイングインジケータ「FC500」
    • 設備の振動測定に最適!振動計測器「V100A」
    • ムーンリフタの無重力空間を広げる「MLヤード」のご紹介
    • 重量物の搬送をスムーズに!ムーンリフタのインテリジェント吊具をご紹介
    • PS-IAを用いたアプリケーション例
    • ムーンリフタ導入事例のご紹介!2024
    • 回転中の軸振れをチェック!非接触変位計「UMA-500-R」
    • インチング不要!位置決めをスムーズに行える電動バランサ「ムーンリフタ」
    • UTMシリーズにデュアルレンジが登場!
    • 協働ロボットも重いワークを扱える!電動バランサ「ムーンリフタ」
    • 2024年問題を解決!電動バランサ「ムーンリフタ」
    • モータの試験に最適 回転トルクメータ「UTMシリーズ」の高速エンコーダオプションをご紹介!
    • 電動バランサ「ムーンリフタ」でロボットの可搬重量を大幅アップ!
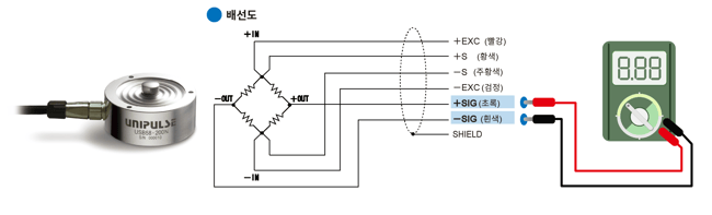
    • ロードセルの配線方法について解説!
    • 重さに応じて最高速度を自動調整! ムーンリフタの便利な機能をご紹介
    • 新登場!ウェイングインジケータ「F720B」
    • 物流の現場も電動バランサムーンリフタで快適に!
    • 新製品ワッシャー型ロードセル「UWP」
    • ムーンリフタの無重力空間を広げる「MLヤード」のご紹介
    • 半導体製造に最適!シリコーンフリーロードセル「UWR」のご紹介
    • 進化を続ける電動バランサ「ムーンリフタ」 現場の声で生まれた機種のご紹介!
    • ムーンリフタで重量管理! 新製品「ML-RF2SIF」のご紹介!
    • Vol2_電動バランサ「ムーンリフタ」の開発の歴史
    • ムーンリフタの導入にお役立てください!~エイジフレンドリー補助金2023~
    • 小容量のJCSS校正に対応しました!
    • 大好評の新ロードセル「UIS」に低容量をラインアップ
    • ワークを自動で優しくリリース!電動バランサムーンリフタ新機能のご紹介
    • 無料お試し!アンプ不要・校正不要 すぐ使えるデジタルロードセル
    • 微細なコギングトルクを正確に捉える!回転トルクメータ「UTMIII」をご紹介!
    • 取付け簡単!横荷重・トルクの影響を排除!両端が雄ねじの防水ロードセル「UIS」をご紹介!
    • 重筋作業の救世主!電動バランサ「ムーンリフタ」を動画でご紹介!
    • 大好評の指示計「FC400」!較正手順について解説します!
    • 不安定な重量物の搬送に最適!より安全に重量物を扱える「テーブルリフタ」をご紹介!
    • はかり故障判別に最適な商品をご紹介!
    • 加工機セットのお悩みを解決!電動バランサ「ムーンリフタ」
    • サーボプレスコントローラ「PFA」オーバーシュートの無い精密なサーボ制御を実現!
    • 電動バランサ「ムーンリフタ」ロボットの可搬重量をアップし、省スペースな自動搬送システムをご提案!
    • ムーンリフタ導入事例のご紹介!
    • 多くのユーザーに愛用頂いているユニパルス製品をご紹介!
    • なぜプレス機にロードセルが必要なのかやさしく解説!
    • 水の入ったバケツをこぼさず搬送!電動バランサ「ムーンリフタ」
    • 低速回転/高速回転どちらにも対応!トルクメータの決定版「UTMⅢ」
    • 重量計測に特化した指示計と、防塵・防滴トルクメータのご紹介!
    • 紙袋の投入作業を楽に!電動バランサ「ムーンリフタ」
    • 即日発送!オンライン決済で気軽にご購入いただけます!
    • ユニパルス製品は在庫が潤沢!納期でお困りの方はぜひご相談ください!
    • マシニングセンタや旋盤加工の品質維持・向上に貢献!3つのセンサをご紹介!
    • 遠心力による影響が小さい!トルクメータの決定版「UTMⅢ」
    • 60kgを指で操作できる! 重筋作業を軽減する電動バランサ「ムーンリフタ」
    • 投入作業に最適!電動バランサ「ムーンリフタ」の新機能
    • 壊れにくい!しかも長持ち!ユニパルスのロードセル
    • 電動バランサ「ムーンリフタ」人気の吊具
    • 新型ディスクカップリング「UCSP」
    • 携帯型デジタルインジケータF490Aをアップデート!新機能をご紹介
    • 制御だけではなくトルク測定も!電動トルクアクチュエータ「ユニサーボ」!
    • ロードセルを簡単に無線化!WI510のご紹介!
    • あらゆる現場にフィット!電動バランサ ムーンリフタ
    • ノイズ・振動に強いデジタルロードセル「DSCB」
    • 重量物の運搬・位置決め・投入作業はムーンリフタにおまかせ!
    • 微小トルクを正確に測定できるトルクメータUTMシリーズ
    • ムーンリフタに省電力モードが登場!
    • 高速回転時のトルクも正確に測定できるトルクメータUTMシリーズをご紹介!
    • ムーンリフタに40㎏タイプが登場!
    • 取付けや芯合わせが簡単なトルクメータUTMシリーズをご紹介!
    • 重量計測に特化したユニパルスのデジタル指示計!【FOOMA JAPAN 2022出展製品】
    • ムーンリフタの便利な機能をご紹介!
    • PCアプリで解決!ムーンリフタの操作感を簡単に調整できる!
    • PFAに組込型が新登場!! サーボコントールのお悩みはPFAで解決できます!
    • ムーンリフタの導入にお役立てください!~エイジフレンドリー補助金~
    • 指示計がいらないスマートなロードセル作りました!
    • ロードセルには寿命があります‼定期的に点検しましょう!
    • 3月9日(水)より開催「2022国際ロボット展」に出展します!
    • ワークに合った吊具で、ムーンリフタをもっと使いやすく
    • すきま・厚み 変位計で瞬時に計測!
    • 正確な測定のために軸振れをチェックしましょう!
    • お客様のYouTubeチャンネルで電動バランサムーンリフタが紹介されました!
    • ムーンリフタ導入事例のご紹介
    • 重筋作業の救世主!ムーンリフタをやさしく解説!
    • 最短1週間でお手元に!高性能トルクアクチュエータ ユニサーボ
    • ユニパルスの新ロードセルを紹介!
    • フランジ型トルクメータ「UTF」が新登場!
    • UTMⅢがラジアル・スラスト荷重に更に強くなりました!
    • 電動バランサ ムーンリフタに指輪タイプのリモコン新登場!
    • JCSS校正サービス開始!
    • 圧入工程の芯ブレを自動補正 センターマスター
    • プリントもデータ保存も!新型インテリジェントレコーダMD252
    • UTMⅢに1000mと2000Nmがラインアップ!
    • テーブル型電動バランサと3点吊りによる精密姿勢制御
    • サーボプレスの精密な押し付け制御はPFAにおまかせ!
    • ミクロンからナノメートルの分解能!ユニパルスの変位計
    • 荷揚げ・荷下ろしはボタン操作無しで自動化!電動バランサ ムーンリフタ
    • EtherNet/IP搭載型トルクコンバータ「TC80-EIP」新登場!
    • ムーンリフタで重量物をやさしく接地
    • 第46回(2020年度)発明大賞受賞!
    • 電動バランサ ムーンリフタにお求めやすい価格の30kgタイプ60kg小型タイプが新登場!
    • UNISERVOにダイレクトドライブ仕様が新登場
    • トルク・回転数・角度を同期出力!TC80-D3V新登場
    • ムーンリフターに1.5tタイプ新登場!
    • 様々な試験機をPLCレスで!サーボプレスコントローラ「PFA」
    • ムーンリフタに新機能!!「手を放すと、すぐ止まる!」慣性キャンセラー搭載
    • 電動バランサユーザー事例 恩地食品株式会社
    • ムーンリフタの設置方法
    • インロータイプとは?回転トルクメータUTMシリーズ
    • 真空管小噺
    • PFAで万能試験機を構築!プログラムレスで手軽に。
    • ロードセルアンプの基本技術
    • ムーンリフタを効率よく使える吊具紹介
    • クリーンルームでも電動バランサ「Moon Lifter」を!
    • チェッカースケール用ウェイングインジケータ F650-CK
    • 知ってるようで知らない、トルクのはなし
    • ムーンリフタの安全機能 危険を回避 !!
    • UTMⅢで更なる進化を遂げたUTMシリーズ
    • サーボプレスコントローラ「PFA」にトルク発生用テンプレート追加
    • ユニサーボによる高精度トルク発生機
    • フランジ型トルクメータ「UTF」
    • ユニパルスの超小型ロードセル
    • 電動バランサ「ムーンリフタ」の開発の歴史
    • 波形表示がリアルタイムに!デジタルインジケータ「FS2000」
    • グリップマスタでハイドロチャックの把持力をチェック!
    • 長尺・大物ワークも安全に上げ下げ 電動バランサ「ムーンリフタ」並列運転オプション
    • 操作性アップの切り札 様々なモード設定【電動バランサ ムーンリフタ】
    • ロードセルを永くお使いいただくために
    • PCでロードセルをモニタリング「FS10」
    • ロードセルの偏荷重について
    • 主軸クランプ力測定器 「ユニクランプ」対応シャンク続々増強!
    • 電動バランサ「ムーンリフタ」新オプション登場!
    • 微小荷重ロードセルUSM
    • ウェイングインジケータF735
    • ウェイングインジケータ FC1000
    • ユニサーボコントローラ「EC30」
    • 電動バランサでロボットの可搬重量大幅アップ!!
  • Products Info
    • 3 Sensors contributing to maintain & improve the quality of metal working!
    • Evaluates the impact under radial load applied to UTM series. Unprecedented torque meter "UTMIII"
    • Accurately captures minute cogging torque! Rotating torque meter "UTMIII"
    • New choices for Moon Lifter! CE certified version / Simple dust-proof & drip-proof type
    • What is different from strain gauge and piezoelectric type? UNIPULSE will explain!
    • New release! Weighing Indicator "F720B"
    • Guide for Load Cell Wiring Method
    • Moon Lifter also brings comfort to logistics!
    • Intelligent assist balancer Moon Lifter makes positioning works of heavy objects comfortable!
    • Customized sensor enables difficult measurements!
    • PROFINET IO option is added to the embedded type indicator "FC400"!
    • Connect Mitsubishi Electric's PLC & UNIPULSE sensors with no effort
    • Load cells compatible with low & high temperature
    • Transporting, positioning & feeding operations of heavy objects… Just leave them to Moon Lifter!
    • No need for inching operation! Make positioning work smooth! Electric balancer Moon Lifter
    • Recommended sensors for semiconductor fabrication process: Rotating torque meter "UTMIII"
    • Recommended sensors for semiconductor fabrication process: Siloxane-free load cell "UWR"
    • Recommended sensors for semiconductor fabrication process: Non-contact capacitive displacement sensor "PS-IA"
    • New release! Built-in type weighing indicator "FC500"
    • Dual range is newly released in UTM series!
    • Weight management by Moon Lifter! New product "ML-RF2SIF"
    • New product: Washer type load cell "UWP"
    • Ideal for Motor Testing! Introduction of the high-speed encoder option for the rotating torque meter “UTM series”!
    • Electric balancer "Moon Lifter" continues to evolve. It has the following unique features!
    • Ideal for semiconductor manufacturing! Beam type load cell "UWR" introduction
    • For both low-speed and high-speed rotation! The definitive solution for torque meter "UTMⅢ"
    • Transport buckets filled with water without spilling! Electric Assist Balancer "Moon Lifter"
    • Must-see! Application for F701-S
    • Easy to install! Less impact of lateral load etc.! "UIS", waterproof load cell with male screws on both ends
    • Let's use RS-485 communication with UTMIII!
    • Convenient product for failure diagnosis of scales!
    • Noise & vibration resistance! High stiffness digital load cell "DSCB"
    • Contribute to maintain/improve the quality of machining center & lathe machine!
    • ■UTMIII(C)■ Torque sensor: New concept for installation
    • ■Moon Lifter■ New arrival of ring-style controller!
    • ■USM■ UNIPULSE's high durability & long life load cells
    • ■FS2000■ How machine work can be brought closer to craftspersonship?
    • ■F490A■ Portable Force Indicator updated!
    • ■Moon Lifter■ Practical functions of Moon Lifter!
    • ■Basic Master■ Let's try UNI-Format!
    • ■UTM■ What's the secret for installation method?
    • ■Moon Lifter■ Lifesaver of heavy muscular work! Easy-to-understand explanation for Moon Lifter
    • ■Basic Master■ Let's Calibrate! - For correct use of load cell -
    • ■UTMIII■ Rotating torque meter UTMIII is now more resistant to radial & thrust load than ever!
    • ■FS2000/F381A/PFA■ Manage Assembly Process by Waveform Comparison
    • ■UNISERVO■ Having difficulties procuring servo motors?
    • ■New Product■ Introducing UNIPULSE's brand-new load cells!
    • ■F490A■ Periodic & Quick Load Check with Perfect Portable Indicator!
    • ■Basic Master■ Let's simply build platform scale with accuracy of 0.02%!
    • ■FS10■ "FS10" Will Make Your PC a Load Cell Monitor!
    • ■Basic Master■ When an Error is Displayed on Indicator…
    • ■F650-CK■ Weighing Indicator for checker scale F650-CK
    • ■Basic Master■ What You Want to Know about a Load Cell to Use it for a Long Time
    • ■PFA■ Just Leave Everything about Precise Press Control of Servo Press to PFA!
    • ■TC80-D3V■ Output Torque, Rotation Speed & Angle Simultaneously!
    • ■UTMIII■ Upgraded more than ever with UTMIII
    • ■GRIP MASTER■ Quantify Grip Force by "GRIP MASTER"!
    • ■Moon Lifter■ Intelligent Assist Balancer: Place Heavy Object "Softly" & "With Care"
    • ■PFA■ Control & monitor servo press and testing device at ease!
    • ■Basic Master■ Torque meter that measures rotating force.
    • ■Moon Lifter■ Intelligent assist balancer user case ONCHI SHOKUHIN CO., LTD. 【Kyoto factory】
    • ■UCW■ Unipulse's ultra-compact load cell
  • ข้อมูลผลิตภัณฑ์
    • โหลดเซลล์ที่เข้ากันได้กับอุณหภูมิต่ำและสูง
    • การขนย้าย การจัดตำแหน่งและการป้อนวัตถุหนักๆ… ปล่อยให้เป็นหน้าที่ของ Moon Lifter ได้เลย!
    • ไม่ต้องทำงานแบบค่อยๆคืบคลาน!ทำให้งานวางตำแหน่งราบรื่น!บาลานเซอร์ไฟฟ้า "Moon Lifter"
    • ขอแนะนำเซนเซอร์สำหรับกระบวนการผลิตเซมิคอนดักเตอร์: เครื่องวัดแรงบิด "UTMIII"
    • ขอแนะนำเซนเซอร์สำหรับกระบวนการผลิตเซมิคอนดักเตอร์: UWR โหลดเซลล์ไร้ไซล็อกเซน
    • แนะนำเซนเซอร์สำหรับกระบวนการผลิตเซมิคอนดักเตอร์: เซนเซอร์วัดการกระจัดแบบเก็บประจุที่ไม่สัมผัส "PS-IA"
    • เปิดตัวใหม่! ตัวแสดงผลการชั่งน้ำหนักชนิดติดตั้งภายในรุ่น FC500
    • ช่วงการวัดเป็นคู่ได้เปิดตัวใหม่ในซีรีย์ UTM!
    • การจัดการน้ำหนักด้วย Moon Lifter! สินค้าใหม่: "ML-RF2SIF"
    • ผลิตภัณฑ์ใหม่: โหลดเซลล์แบบแหวนรอง "UWP"
    • เหมาะสมสำหรับการทดสอบมอเตอร์! เปิดตัวอ๊อปชั่นเอ็นโค้ดเดอร์ความเร็วสูงสำหรับทอร์คมิเตอร์แบบหมุน UTM ซีรีส์!
    • บาล้านเซอร์ไฟฟ้า Moon Lifter ยังคงต่อเนื่องที่จะพัฒนา ให้มีคุณสมบัติพิเศษดังต่อไปนี้!
    • UWR โหลดเซลล์ที่ปราศจากไซล็อกเซน เหมาะสำหรับการผลิตเซมิคอนดักเตอร์!
    • สำหรับการหมุนทั้งความเร็วต่ำและความเร็วสูง! เป็นคำตอบสุดท้ายสำหรับทอร์คมิเตอร์ "UTMⅢ"
    • ขนส่งถังที่มีน้ำเต็ม โดยไม่หกเลอะเทอะ! บาล้านเซอร์ไฟฟ้าอัจฉริยะ Moon Lifter
    • ติดตั้งได้ง่าย! ผลกระทบจากโหลดด้านข้าง ฯลฯ น้อยลง! โหลดเซลล์กันน้ำ UIS มาพร้อมสกรูตัวผู้ที่ปลายทั้งสองด้าน
    • สะดวกสำหรับการวินิจฉัยความล้มเหลวของเครื่องชั่ง
    • ต้านทานต่อสัญญาณรบกวนและแรงสั่นสะเทือน! DSCB โหลดเซลล์แบบดิจิตอลความแข็งสูง
    • เพื่อมีส่วนช่วยในการบำรุงรักษาและปรับปรุงคุณภาพงานในเครื่องเซ็นเตอร์และเครื่องกลึง! เราขอแนะนำเซ็นเซอร์ที่มีลักษณะเฉพาะ 3 แบบ
    • ■Moon Lifter■ การมาใหม่ของตัวควบคุมแบบวงแหวน!
    • ■USM■ โหลดเซลล์ของ UNIPULSEที่มีความทนทานสูงและมีอายุการใช้งานที่ยาวนาน
    • ■F490A■ อัปเกรดอินดิเคเตอร์วัดแรงแบบพกพา!
    • ■Moon Lifter■ ฟังก์ชั่นการใช้งานจริงของ Moon Lifter!
    • ■Moon Lifter■ คำอธิบายที่เข้าใจง่ายสำหรับ Moon Lifter ผู้ช่วยชีวิตคนงานที่ใช้กล้ามเนื้ออย่างหนัก!
    • ■UTMⅢ■ ทอร์คมิเตอร์แบบหมุน UTMIII มีความต้านทานต่อเรเดียลโหลดและทรัสท์โหลดมากกว่าที่เคย!
    • ■UNISERVO■ คุณมีปัญหาในการจัดซื้อเซอร์โวมอเตอร์ใช่หรือไม่
    • ■ผลิตภัณฑ์ใหม่■ ขอแนะนำโหลดเซลล์ใหม่จาก UNIPULSE!
    • ■FS10■ FS10 จะทำให้พีซีของคุณเป็นจอมอนิเตอร์สำหรับโหลดเซลล์!
    • ■F650-CK■ อินดิเคเตอร์การชั่งน้ำหนักสำหรับเครื่องชั่งตรวจสอบ F650-CK
    • ■หลักพื้นฐาน■ สิ่งที่คุณต้องการทราบเกี่ยวกับโหลดเซลล์เพื่อใช้งานได้เป็นเวลานาน
    • ■TC80-D3V■ แรงบิด ความเร็วรอบในการหมุน และมุมแสดงผลเอาต์พุทได้พร้อมกัน!
    • ■PFA■ ปล่อยให้ทุกอย่างที่เกี่ยวกับการควบคุมการเพรสที่แม่นยำของเซอร์โวเพรสไว้ที่ PFA!
    • ■UTMⅢ■ อัปเกรดมากกว่าที่เคยด้วย UTMIII
    • ■Moon Lifter■ บาลานเซอร์ไฟฟ้า: วางชิ้นงานหนักอย่างนุ่มนวลด้วยความระมัดระวัง
    • ■GRIP MASTER■ วัดปริมาณแรงจับยึดด้วย GRIP MASTER!
    • ■PFA■ ควบคุมและตรวจสอบเซอร์โวเพรสและอุปกรณ์ในการทดสอบได้อย่างง่ายดาย!
    • Moon Lifter เป็นอุปกรณ์ช่วยเหลือที่สามารถจัดการของหนักได้แบบเบาๆด้วยมือทั้งสองข้าง!
    • ■หลักพื้นฐาน■ทอร์คมิเตอร์ที่วัดแรงหมุน
  • 繁體版情報
    • 對加工中心和車床的加工品質的保證・提高做出了大貢獻!下面介紹3種感測器!
    • 驗證UTM系列受徑向力的影。旋轉扭矩感測器的決定版"UTMIII"
    • 準確測量細微的齒槽扭矩。為您介紹旋轉扭矩感測器"UTMIII"!
    • Moon Lifter CE對應版 & 簡易防塵・防滴型 新款開售!
    • 應變片式力感測器和壓電式力感測器的區別
    • 新品上市!秤重儀錶F720B
    • 有關力感測器的接線方式的講解!
    • 在物流車間使用Moon Lifter也能實現輕鬆搬運!
    • 輕鬆地進行重物的定位!電動平衡器"Moon Lifter"
    • 定製感測器!以前難以測力的情況,現在可以實現了
    • 嵌入式儀錶"FC400"新增了PROFINET IO接口!
    • 把三菱電機的PLC和UNIPULSE的力感測器進行簡單連接
    • 可對應高低溫環境的測力感測器的系列介紹
    • 重物的搬運・定位・液體或固體的倒出操作 Moon Lifter都能做!
    • 無需微調操作了!輕鬆進行定位作業!電動平衡器 "Moon Lifter"
    • 推薦用於半導體製造工藝的感測器系列(3) 旋轉式扭矩感測器“UTMIII”
    • 推薦用於半導體製造工藝的感測器系列(2) 不容易釋放矽氧烷的測力感測器 "UWR"
    • 推薦用於半導體製造工藝的感測器系列 靜電容量方式非接觸位移計"PS-IA"
    • 新登場!嵌入式模組型秤重儀錶“FC500"
    • UTM系列中雙量程選件新登場!
    • 使用Moon Lifter進行重量管理!新產品介紹“ML-RF2SIF”!
    • 新型墊圈式測力感測器“UWP”
    • 電機測試的理想之選!為您介紹旋轉式動態扭矩感測器“UTM系列”的高速旋轉編碼器選件!
    • 重型工件作業的救星!Moon Lifter的獨特功能
    • 半導體製造業的理想之選!不容易釋放矽氧烷的測力感測器「UWR」簡介
    • 低速和高速扭矩測試均可適用!新版扭矩感測器“UTMⅢ”
    • 搬運裝有水的桶子水不會灑出!智能電動平衡器“Moon Lifter”
    • 必看!F701-S的具體應用
    • 安裝簡單!不易受橫向負載等影響!介紹兩端雙螺紋式防水型測力感測器“UIS”
    • 嘗試使用UTMIII的RS-485通信!
    • 方便判斷秤重故障的產品
    • 抗干擾・抗振動強!高剛性數位信號測力感測器"DSCB"
    • 對加工中心和車床的加工品質的保證・提高做出了大貢獻!下面介紹3種感測器!
    • UTM新安裝方式的扭矩感測器:UTMⅢ(C)系列!
    • ■Moon Lifter■電動平衡器的指環遙控器新登場!
    • ■USM■尤尼帕斯的感測器介紹!不易損壞且耐用!
    • ■FS2000■感測器——讓機器更接近職人!
    • ■F490A■可擕式數位測力儀錶升級的新功能!
    • ■Moon Lifter■Moon Lifter的便利功能介紹!
    • ■Basic Master■讓我們嘗試使用UNI-Format!
    • ■UTM■安裝的秘訣是什麼呢?
    • ■Moon Lifter■有關重體力勞動作業的救星Moon Lifter淺顯易懂的解說!
    • ■Basic Master■嘗試校正一下吧!~感測器正確的使用方法~
    • ■UTMⅢ■承受徑向力・軸向力的能力變得更強了!
    • ■FS2000/F381A/PFA■通過波形比較作為整體組裝過程管理。
    • ■UNISERVO■受伺服馬達困擾者的福音
    • ■F490A■使用攜帶型測力儀表隨時檢測,適合用於設備的點檢!
    • ■New Product■UNIPULSE 新研發感測器的介紹!
    • ■Basic Master■簡單構建精度0.02%的秤重平台!
    • ■FS10■“FS10”可以將電腦作為感測器的顯示器
    • ■Basic Master■當儀錶顯示錯誤時…
    • ■F650-CK■檢重秤用秤重儀錶 F650-CK
    • ■TC80-D3V■同時輸出扭力、轉速、角度!
    • ■Basic Master■為了能更長期地使用感測器
    • ■PFA■伺服壓機的精準壓裝控制可以放心交給PFA!
    • ■UTMⅢ■就這樣誕生了!
    • ■Moon Lifter■使用電動平衡器把重物小心的操作,輕緩的接觸地面!
    • ■GRIP MASTER■使用「GRIP MASTER」來檢測液壓刀柄的夾持力。
    • ■PFA■輕鬆構建伺試驗機控制&實現過程監控!
    • ■UTMⅡ■高精度且耐久度高
  • Thông tin sản phẩm
    • Góp phần duy trì/nâng cao chất lượng máy gia công trung tâm & máy tiện! Giới thiệu 3 cảm biến ĐỘC ĐÁO
    • Đánh giá tác động dưới tải trọng xuyên tâm áp dụng cho dòng UTM. Thiết bị đo mô-men xoắn "UTMIII" vượt trội
    • Đo và ghi nhận chính xác mô-men cogging rất nhỏ! Thiết bị đo mô-men xoắn quay ‘UTMIII’
    • Sự khác biệt giữa loại cảm biến biến dạng và loại cảm biến áp điện là gì? UNIPULSE sẽ giải thích ngay sau đây!
    • Ra mắt sản phẩm mới! Bộ hiển thị cân "F720B"
    • Hướng dẫn cách đấu dây cho cảm biến lực (Loadcell)
    • Bộ nâng hạ thông minh Moon Lifter giúp tối ưu hóa hiệu suất cho các công việc ngành logistic
    • Làm cho công việc định vị các đối tượng nặng trở nên dễ dàng! Bộ nâng hạ thông minh "Moon Lifter"
    • Cảm biến làm theo yêu cầu! Biến những phép đo khó khăn thành có thể
    • Tùy chọn PROFINET IO đã được thêm vào máy hiển thị nhỏ gọn "FC400"!
    • Kết nối một cách đơn giản giữa PLC Mitsubishi và cảm biến của UNIPULSE
    • Giới thiệu dãy sản phẩm cảm biến lực (Load Cell) có thể hoạt động ở nhiệt độ thấp và cao
    • Hãy để Moon Lifter đảm nhận các công việc vận chuyển, định vị và đổ nguyên liệu của các vật nặng!
    • Không cần thiết phải thao tác nhích từng chút một! Thao tác định vị vị trí một cách dễ dàng! Thiết bị cân bằng điện "Moon Lifter"
    • Dòng cảm biến được khuyến khích dùng cho quy trình sản xuất chất bán dẫn (3) Cảm biến đo mô men xoắn "UTMIII"
    • Dòng cảm biến được khuyến khích dùng cho quy trình sản xuất chất bán dẫn (2) Loadcell không chứa siloxane "UWR"!
    • Dòng cảm biến được khuyến khích dùng cho quy trình sản xuất chất bán dẫn. Cảm biến hành trình không tiếp xúc dạng điện dung 「PS-IA」
    • Mới ra mắt! Bộ hiển thị đầu cân nhỏ gọn “FC500”
    • Ra mắt đo phạm vi kép ở sản phẩm UTM
    • Quản lý trọng lượng bằng Moon Lifter. Giới thiệu sản phẩm mới “ML-RF2SIF”!
    • Sản phẩm mới, cảm biến tải trọng dạng vòng đệm "UWP"
    • Lý tưởng cho việc thử nghiệm động cơ. Giới thiệu tùy chọn bộ mã hóa tốc độ cao cho đồng hồ đo mômen quay "dòng UTM"!
    • Vị cứu tinh cho những công việc thao tác nặng nhọc! Tính năng độc đáo của “Moon Lifter”
    • Lý tưởng cho sản xuất chất bán dẫn! Loadcell không tạo ra siloxane "UWR"
    • Hỗ trợ cả quay tốc độ thấp và tốc độ cao! Máy đo mô-men xoắn chính xác "UTMIII"
    • Vận chuyển xô nước mà không bị tràn ra ngoài Có thể vận chuyển bằng tay không!
    • Nhất định phải xem! Ứng dụng dành cho F701-S
    • Lắp đặt đơn giản! Khó bị ảnh hưởng bởi tải trọng phía bên! Loại loadcell chống nước dạng xoắn ốc hai đầu 「UIS」
    • Hãy cùng thử sử dụng chức năng giao tiếp RS-485 với UTM III
    • Xin được giới thiệu sản phẩm tiện lợi có thể nhận biết được khi máy có vấn đề!
    • Góp phần duy trì/nâng cao chất lượng máy gia công trung tâm & máy tiện! Giới thiệu 3 cảm biến ĐỘC ĐÁO
    • Cảm biến mô-men loại UTMIII (C): Ý tưởng mới cho việc lắp đặt
    • Chống nhiễu & chống rung động! Cảm biến lực kỹ thuật số độ cứng cao "DSCB"
    • Sự xuất hiện mới của bộ điều khiển kiểu nhẫn dành cho máy cân bằng điện Moon Lifter!
    • Khó bị phá vỡ và tuổi thọ cao! Cảm biến lực đổi mới của UNIPULSE
    • Làm thế nào công việc của máy móc có thể tiến gần hơn đến công việc thủ công?
    • CẬP NHẬT bộ hiển thị lực cầm tay F490A!
    • Thực hành các tính năng của Moon Lifter!
    • Cùng trải nghiệm UNI-Format!
    • Bí quyết cho phương pháp cài đặt của dòng UTM là gì ?
    • Cứu cánh của những công việc nặng nhọc về cơ bắp! Giải thích dễ hiểu về Moon Lifter
    • 3 bộ hiển thị tốt nhất để đo lực! Quản lý quy trình lắp ráp bằng so sánh dạng sóng
    • Bộ đo mô-men UTMIII giờ đây có khả năng chống chịu lực hướng tâm và dọc trục tốt hơn bao giờ hết!
    • Hãy hiệu chuẩn! - Để sử dụng cảm biến lực được chính xác
    • Bạn gặp khó khăn khi mua động cơ servo? UNISERVO đáp ứng với thời gian giao hàng ngắn!
    • Giới thiệu các dòng cảm biến đo lực mới của UNIPULSE
    • "FS10" sẽ biến máy tính của bạn thành màn hình hiển thị lực
    • F650-CK bộ hiển thị cân chuyên cho cân phân loại.
    • Đầu ra mô-men, tốc độ quay và góc đồng thời! TC80-D3V
    • Bạn cần biết gì về Loadcell để có thể sử dụng được lâu dài
    • Hãy để mọi thứ liên quan đến độ chính xác lực ép của máy ép servo cho PFA!
    • Dòng UTM: Nâng cấp nhiều hơn với UTMIII
    • Bạn có thể làm được gì với bộ tời nâng hạ thông minh "Moon Lifter": Đặt vật nặng "Nhẹ nhàng" và "An toàn"
    • Quản lý chất lượng mâm cặp bằng bộ đo lực kẹp "GRIP MASTER"!
    • Điều khiển & kiểm soát lực ép Servo và Kiểm tra thiết bị dễ dàng! Lực ép được phân tích bởi "PFA"
    • Moon Lifter= Là một thiết bị hỗ trợ giúp chúng ta có thể nâng vật nặng một cách nhẹ nhàng bằng cả hai tay!
    • Bộ đo mô-men là đo lực của chuyển động quay
  • Informasi produk
    • Mengevaluasi dampak beban radial yang diterapkan pada seri UTM. Meter torsi revolusioner “UTMIII”
    • Menangkap torsi cogging kecil dengan akurat! Torque meter rotasi “UTMIII”
    • Pilihan baru untuk Moon Lifter! Versi bersertifikat CE / Tipe tahan debu & tahan tetesan air sederhana
    • Apa perbedaan antara tipe strain gauge dan piezoelektrik? UNIPULSE akan menjelaskan!
    • Rilis baru! Indikator Timbangan "F720B"
    • Panduan untuk Wiring Sel Beban
    • Moon Lifter juga membuat bidang logistic nyaman!
    • Membuat pekerjaan pemosisian benda berat menjadi nyaman! Intelegent Assist Balancer "Moon Lifter"
    • Sensor yang disesuaikan memungkinkan pengukuran yang sulit
    • Opsi PROFINET IO ditambahkan pada indikator tipe "FC400"!
    • Sambungkan PLC Mitsubishi Electric & sensor UNIPULSE dengan mudah
    • Jajaran load cell yang kompatibel dengan suhu rendah & tinggi
    • Operasi pengangkutan, pemosisian & operasi feeding benda berat… Serahkan saja pada Moon Lifter!
    • Buat pekerjaan penentuan posisi lebih lancar! Penyeimbang Listrik "Moon Lifter"
    • Sensor yang direkomendasikan untuk proses fabrikasi semikonduktor (3): Pengukur Torsi Putar UTM III
    • Sensor yang direkomendasikan untuk proses fabrikasi semikonduktor(2): Load cell bebas siloksan "UWR"
    • Sensor yang direkomendasikan untuk proses fabrikasi semikonduktor: Sensor perpindahan kapasitif non-kontak “PS-IA”
    • Baru rilis! Indikator penimbangan tipe built-in "FC500"
    • Tipe dual range baru saja dirilis dalam seri UTM!
    • Mengontrol Berat dengan Moon Lifter! Produk Baru : "ML-RF2SIF"
    • Produk terbaru: load cell tipe washer (UWP)
    • Ideal untuk Pengujian Motor! Pengenalan opsi encoder berkecepatan tinggi untuk rotating torque meter "Seri UTM"!
    • Penyelamat pekerjaan berat! Fitur unik Moon Lifter!
    • Ideal untuk manufaktur semikonduktor! Load cell bebas siloksan "UWR"
    • Untuk rotasi kecepatan rendah dan kecepatan tinggi! Solusi definitif untuk torque meter "UTM III"
    • Mengangkat ember berisi air tanpa tumpah! Electric Assist Balancer "Moon Lifter"
    • Harus dilihat! Aplikasi untuk F701-S
    • Mudah dipasang! Lebih sedikit dampak dari beban lateral, dll.! "UIS", load cell tahan air dengan sekrup male di kedua ujungnya
    • Mari gunakan komunikasi RS-485 dengan UTMIII!
    • nyaman digunakan untuk diagnosis kegagalan timbangan!
    • Tahan terhadap kebisingan & getaran! Sel beban (load cell) digital dengan kekakuan tinggi "DSCB"
    • Berkontribusi untuk menjaga/meningkatkan kualitas machining center & mesin bubut! Memperkenalkan 3 UNIque sensors
    • Jenis sensor torsi UTMIII (C): Konsep baru untuk pemasangan
    • Kedatangan baru pengontrol bergaya cincin untuk penyeimbang listrik Moon Lifter!
    • Sulit untuk rusak dan umur panjang! Load cell inovatif UNIPULSE
    • Bagaimana pekerjaan mesin bisa lebih dekat dengan craftpersonship?
    • Indikator Force Portabel F490A DIPERBARUI!
    • Fungsi praktis dari Moon Lifter
    • Ayo mencoba UNI-Format!
    • Apa Rahasia cara install seri UTMIII ?
    • Penyelamat kerja otot yang berat! Penjelasan Moon Lifter yang mudah dipahami
    • Yuk Kalibrasi! Pakai Loadcell dengan cara benar
    • Torsi Meter Putar UTMIII sekarang lebih tahan terhadap beban radial & dorong dari sebelumnya!
  • 動画一覧